|
查看: 2455|回复: 11
|
需要一个预备电路的设计图 (停电时启动逆流器供电给风泵)
[复制链接]
|
|
|
本帖最后由 pic 于 4-6-2011 11:40 AM 编辑
小弟想要请教个位大大。。有谁会设计这当跳电时可以用预备的电箱来起动那电器。。好然没电时那机器还能运作 我紧急需要
谢谢 |
|
|
|
|
|
|
|
|
|
|
发表于 6-5-2011 08:11 AM
|
显示全部楼层
小弟想要请教个位大大。。有谁会设计这当跳电时可以用预备的电箱来起动那电器。。好然没电时那机器还能运作 ...
Jiinhong 发表于 5-5-2011 09:46 PM 
要解答, 建议你看看版规, 直接讲清楚。 |
|
|
|
|
|
|
|
|
|
|

楼主 |
发表于 6-5-2011 11:37 AM
|
显示全部楼层
回复 2# pic
我是要给airpump用的。。应为停电导致鱼死完。所以想看能做到这样的预备电路图。。当没电时能自动转去电池电用。。平时是直接电去air pump。。不好意识没讲清楚 |
|
|
|
|
|
|
|
|
|
|
发表于 6-5-2011 12:16 PM
|
显示全部楼层
看~ 讲清楚是非常很重要的。。
最简单的方法, 是用电池操作的风泵。
如果可以, 再告诉你如何做。 |
|
|
|
|
|
|
|
|
|
|

楼主 |
发表于 6-5-2011 12:59 PM
|
显示全部楼层
回复 4# pic
我的是大型的airpump 我要用车电池来预备没电箱。。。。 |
|
|
|
|
|
|
|
|
|
|
发表于 6-5-2011 06:01 PM
|
显示全部楼层
回复 pic
我的是大型的airpump 我要用车电池来预备没电箱。。。。
Jiinhong 发表于 6-5-2011 12:59 PM 
是AC 输入的, DC 输入的 风泵? 还是DC /AC 两用的??
电压 V?
功率? Watt?
这些都要讲清楚啊~ 不然就放清楚的照片, 能看到标签的。。 |
|
|
|
|
|
|
|
|
|
|
发表于 10-5-2011 02:09 PM
|
显示全部楼层
回复 5# Jiinhong
你的风泵~ 输入是AC, 耗电是100W。如果要用汽车电池, 就需要升压。要升压, 可行的有两种方 ...
Jiinhong 说:1. 用12 V 的invertor,这方法要如何?我只是要拿来预备在晚上时没人在。。来以防在夜间跳电有预备电源来运 ...
论坛维修后, 一些回复的帖子不见 。。。
用inverter的方法, 可以用下面的图来自动切换 AC 市电或inverter ,用AC Relay (注意, 不是DC Relay) 。
当有AC电时, relay 是吸上的(NO), 停电时, relay 的开关放开(NC),只是, 你自己要注意电池的保护, 不要过放电, 造成电池损坏。 (关键的使用时间的长短, 之前写了)
你的Air Pump 是100W, Invertor 用150W 的是最好。
还有, 自己要用充电器去手动充你的汽车电池。
 |
|
|
|
|
|
|
|
|
|
|
发表于 10-5-2011 06:31 PM
|
显示全部楼层
回复 Jiinhong
你的风泵~ 输入是AC, 耗电是100W。如果要用汽车电池, 就需要升压。要升压, 可行的有 ...
pic 发表于 10-5-2011 02:09 PM 
我也要玩,帮你加个battery charger进去,再拿掉一粒relay。。。
 |
评分
-
查看全部评分
|
|
|
|
|
|
|
|
|
|
发表于 11-5-2011 09:44 AM
|
显示全部楼层
我也要玩,帮你加个battery charger进去,再拿掉一粒relay。。。
kiam06 发表于 10-5-2011 06:31 PM 
非常好~ 用两个relay, DC 的电部分不要和AC 的掺在一起。
来~
紧急照明灯也是同样的原理, 但是如果是白天停电, 怎样避免灯亮起来? |
|
|
|
|
|
|
|
|
|
|
发表于 11-5-2011 10:55 AM
|
显示全部楼层
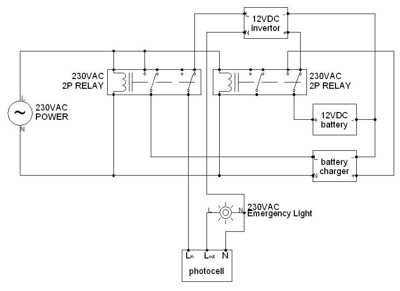
非常好~ 用两个relay, DC 的电部分不要和AC 的掺在一起。
来~
紧急照明灯也是同样的原理, 但是 ...
pic 发表于 11-5-2011 09:44 AM 
谢谢加分,紧急照明灯是指当没电来时,会自动亮的EXIT灯吧?
再加photocell可以完成了吧。。。
以下怎样?AC和DC control分开了。。。
 |
|
|
|
|
|
|
|
|
|
|

楼主 |
发表于 12-5-2011 10:43 PM
|
显示全部楼层
|
不好意识。。最近忙没回来看贴。想问下那reley 脚能够给我知道接那个脚吗? |
|
|
|
|
|
|
|
|
|
|
发表于 13-5-2011 09:34 PM
|
显示全部楼层
不好意识。。最近忙没回来看贴。想问下那reley 脚能够给我知道接那个脚吗?
Jiinhong 发表于 12-5-2011 10:43 PM 
relay 有很多种类。。
你先买到/找到你要的Relay 先再说~ |
|
|
|
|
|
|
|
|
| |
本周最热论坛帖子
|